AudioScience's Hono™ CobraNet Mini products are perfect for smaller quantity input and output requirements.
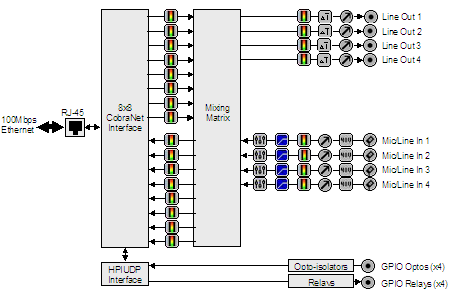
The Hono™ CobraNet 4.4M (and 2.2M) Mini receives four (or two) channels of 48kHz CobraNet and sends them to their balanced analog audio outputs, while simultaneously inputting four (or two) channels of mic/line level balanced audio and transmitting them as CobraNet. The Hono™ CobraNet 4.4D (and 2.2D) Mini receives four (or two) channels of CobraNet and sends them to their AES/EBU audio outputs, while simultaneously inputting four (or two) channels of AES/EBU audio and transmitting them as CobraNet.
ASIControl sets up all internal features of the unit and allows CobraNet routing connections to be set up between the Hono™ Series units and any other CobraNet device on the network. ASIControl is part of the Windows driver install. Cirrus Logic's CobraNet Discovery can also be used for routing connections.
The Hono™ CobraNet Mini products: the ideal solution for networked audio systems that need a small quantity of additional inputs or outputs.


| Model | Audio In Channels | Audio Out Channels | Input Type | Output Type |
|---|---|---|---|---|
| Hono CobraNet Mini 2.2M | 2 | 2 | Balanced Analog Mic/Line | Balanced Analog Line |
| Hono CobraNet Mini 4.4M | 4 | 4 | Balanced Analog Mic/Line | Balanced Analog Line |
| Hono CobraNet Mini 2.2D | 2 | 2 | AES/EBU | AES/EBU |
| Hono CobraNet Mini 4.4D | 4 | 4 | AES/EBU | AES/EBU |